Аппаратные зажимы — это незаменимые элементы для надежного и быстрого соединения проводов, тросов и канатов в строительстве, монтаже ЛЭП и других отраслях промышленности. Они обеспечивают прочное и долговечное крепление, необходимое для ответственных конструкций.
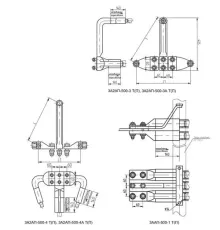
Мы предлагаем широкий ассортимент аппаратных зажимов различных типов, включая 2А2А, 2А4А, 2А6А, 3А2А, А1А, А2А, А4А и многие другие. Каждое изделие отличается высоким качеством изготовления и соответствует строгим стандартам.
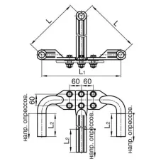
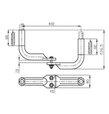
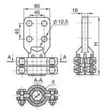
Все зажимы изготавливаются из высокопрочной оцинкованной стали, что гарантирует их коррозионную стойкость и длительный срок службы даже в самых суровых условиях эксплуатации. Это надежное решение для профессионального применения.
Оформите заказ онлайн для юридических лиц с безналичным расчетом и получите коммерческое предложение. Мы оперативно доставим необходимые позиции в любую точку Беларуси.
