- НаличиеВ наличии
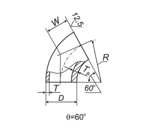
Отводы 60° в усиленной изоляции ВУС предназначены для изменения направления магистральных и технологических трубопроводов, транспортирующих нефть, газ, воду и другие агрессивные среды. Они обеспечивают высокую герметичность и надежность системы.
Использование отводов ВУС позволяет значительно увеличить срок службы трубопровода, защищая его от коррозии и внешних воздействий. Это экономически выгодное решение для капитального строительства и ремонта.
Продукция соответствует строгим стандартам качества. Доступны различные типоразмеры (Dn от 25 до 800), толщины стенки и марки стали (09Г2С, 17Г1С, сталь 20, сталь 3) для подбора под конкретные проектные требования.
Мы предлагаем широкую вариативность выбора по диаметрам, что позволяет комплектовать трубопроводы любой сложности. Оперативно сформируем коммерческое предложение под ваш технический запрос.
Нет отзывов об этом товаре.
Пока нет вопросов об этом товаре. Станьте первым!
